ZVL

FMA207

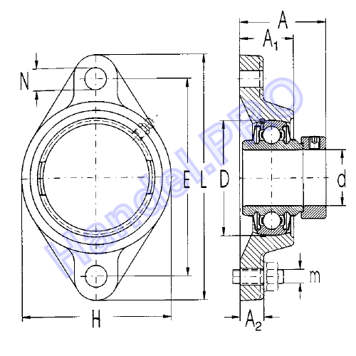
Подшипниковый узел шариковый радиальный однорядный

Основные характеристики

Внутренний диаметр (d)
Значение характеристики 'Внутренний диаметр (d)' у товара 'FMA207'
Наружный диаметр (D)
Значение характеристики 'Наружный диаметр (D)' у товара 'FMA207'
Размер (A)
Значение характеристики 'Размер  (A)' у товара 'FMA207'
Размер (A1)
Значение характеристики 'Размер  (A1)' у товара 'FMA207'
Размер (E)
Значение характеристики 'Размер (E)' у товара 'FMA207'
Грузоподъемность динамическая (C)
Значение характеристики 'Грузоподъемность динамическая (C)' у товара 'FMA207'
Грузоподъемность статическая (C0)
Значение характеристики 'Грузоподъемность статическая (C0)' у товара 'FMA207'

Статьи и публикации

Радиальные шариковые подшипники - основные сведения

Благодаря своей универсальности радиальные шариковые подшипники распространены наиболее широко. Они просты по конструкции, неразборны, способны вращаться с высокими и даже очень высокими скоростями, надежны в работе и не требуют особого технического обслуживания. Радиальные шариковые подшипники имеют глубокие дорожки качения, радиус кривизны которых близок к размеру шариков, что позволяет им воспринимать не только радиальные, но и осевые нагрузки даже при высоких частотах вращения. Они не имеют пазов для ввода шариков и, помимо радиальных нагрузок, способны воспринимать осевые нагрузки, действующие в обоих направлениях

Радиальные шариковые сферические двухрядные подшипники - основная информация

Радиальные сферические шариковые подшипники являются двухрядными, неразъёмными подшипниками, состоящими из наружного кольца с вогнутой сферической дорожкой качения, внутреннего кольца с цилиндрическим или коническим отверстием и сепаратора с шариками. Подшипники выпускаются открытыми и с уплотнениями.