NTN

FL624

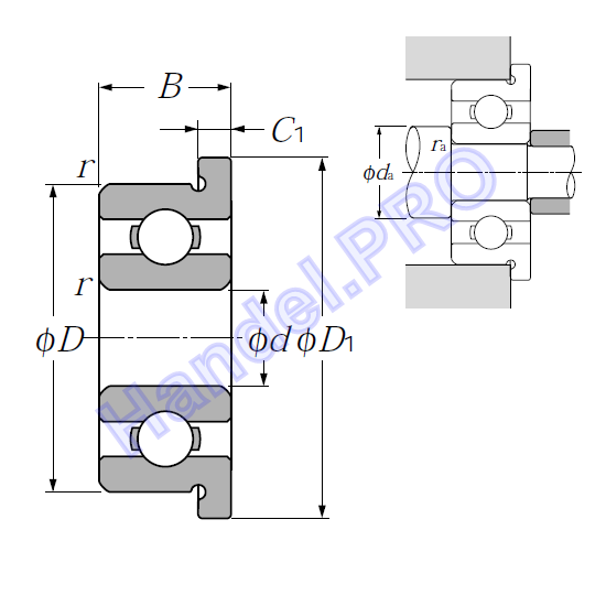
Подшипник шариковый радиальный однорядный

Основные характеристики

Внутренний диаметр (d)
Значение характеристики 'Внутренний диаметр (d)' у товара 'FL624'
Наружный диаметр (D1)
Значение характеристики 'Наружный диаметр (D1)' у товара 'FL624'
Наружный диаметр (D)
Значение характеристики 'Наружный диаметр (D)' у товара 'FL624'
Ширина (высота) (B)
Значение характеристики 'Ширина внутренней обоймы (B)' у товара 'FL624'
Размер (r min.)
Значение характеристики 'Размер  (r min.)' у товара 'FL624'
Грузоподъемность динамическая (C)
Значение характеристики 'Грузоподъемность динамическая (C)' у товара 'FL624'
Грузоподъемность статическая (C0)
Значение характеристики 'Грузоподъемность статическая (C0)' у товара 'FL624'
Частота вращения предельная при пластичной смазке
Значение характеристики 'Частота вращения предельная при пластичной смазке' у товара 'FL624'
Частота вращения предельная при жидкой смазке
Значение характеристики 'Частота вращения предельная при жидкой смазке' у товара 'FL624'

Статьи и публикации

Радиальные шариковые подшипники - основные сведения

Благодаря своей универсальности радиальные шариковые подшипники распространены наиболее широко. Они просты по конструкции, неразборны, способны вращаться с высокими и даже очень высокими скоростями, надежны в работе и не требуют особого технического обслуживания. Радиальные шариковые подшипники имеют глубокие дорожки качения, радиус кривизны которых близок к размеру шариков, что позволяет им воспринимать не только радиальные, но и осевые нагрузки даже при высоких частотах вращения. Они не имеют пазов для ввода шариков и, помимо радиальных нагрузок, способны воспринимать осевые нагрузки, действующие в обоих направлениях

Радиальные шариковые сферические двухрядные подшипники - основная информация

Радиальные сферические шариковые подшипники являются двухрядными, неразъёмными подшипниками, состоящими из наружного кольца с вогнутой сферической дорожкой качения, внутреннего кольца с цилиндрическим или коническим отверстием и сепаратора с шариками. Подшипники выпускаются открытыми и с уплотнениями.

Каталоги NTN в формате PDF

#ReliabilityInside

DPF357.06: Part details

NTN Bearing Units Steel Series

NTN Drawn cup Needle Roller

Hydraulic nut

Polipump installation

R157.32: Assembly/Disassembly

KDP459.510: Assembly/disassembly

Bearing Handling

DPF359.03: Assembly/disassembly

Universal +

ISO 50001 NTN-SNR

Electric motors

R159.44: Assembly/Disassembly

Anti-fretting paste

Pulley Damper 2010

Linear axis news

Suspension kits

SCMP-Self-centering mechanical puller

Care and Maintenance of Bearings

#PerformanceInside

Packaging

GA354.12: Assembly/Disassembly

SNR Stainless steel bearing units

SNC Flyer

Linear Ball Bushings (LBB)

GA357.09: Assembly/Disassembly

Agrifood

TRB: The complete "2 in 1" offer

TechScaN'R

KB655.07: Assembly informations

High Speed +

NTN Bearings for clean environment

Wind turbines

Cast-iron/pressed-steel bearing units

Driving Front Wheel Cartridge Bearing

Technologie ASB®

Oil for hydraulic pump

ISO 9001 – NTN Mettmann

Mines and Quarries

R140.38: Assembly/disassembly

Needle roller bearings

Bearings 'A' iso coefficient

Laser Temp

KD459.56: Assembly/disassembly

Damper pulleys: Assembly/Disassembly

KD459.51: Assembly/disassembly

Wind Turbine bearing solutions

KD457.37: Assembly/Disassembly

Linear Motion range

Corporate profile

NTN ULTAGE Super precision bearings

ISO TS SNR ROLAMENTOS DO BRASIL

Super precision card

Brake disc hub kits

R154.54: Assembly/disassembly

KD470.32: Assembly/disassembly

Air conditioner bearings 2016

Engine timing kits with water pump

KD481.05: Assembly/Disassembly

TOPLINE range

PoliPump

KB659.27: Assembly/Disassembly

Multi'Pulse AC

Railway solutions

R140.06: Assembly/Disassembly

In'Pulse

Clutch bearings

ULTAGE Catalogue

Linear Ball Screw (BS)

Linear Guides (LG)

Needle Roller Bearings Handbook NTN

Causes of bearing failures

NTN Bearings for special environments

Pulley Damper brochure 2016

KD469.22: Assembly/Disassembly

Analysis & Recommendations -Timing and Accessory

Bearing retention and clearances

BSTU: Ball Screw Support - Bearing Unit

GA359.70: Assembly/Disassembly

BP SET 5-44 / 45-100

ISO TS NTN Transmissions Europe

Drive Booster

High Temp

NTN Large Bearings

R154.13: Assembly/Disassembly

Flyer SRB ULTAGE

Wheel speed sensors

DPF350.01: Assembly/Disassembly

ISO 9001 - ICSA Industria Cuscinetti S.p.A

Hydraulic push-puller 8/12 tons

ISO 9001 NTN Transmissions Europe

KD457.45: Assembly/disassembly

Analysis & Recommendations - Suspension

Plummer block SNCD31

Bearing Units Handbook

Cartridge bearings GEN 1: Assembly/disassembly

ISO TS NTN-SNR Annecy

Brake disc hub kits fitted with NTN-SNR bearings catalogue

GT381.02: Assembly/Disassembly

Kits and Suspension bearings: Recommendations

R159.64/R159.65: Identifying the bearings

Ready Booster

Absolute Angle sensor

NTN Integrated rotation sensor bearings

NTN Insulated bearings Megaohm series

KD455.50: Assembly/Disassembly

Mining application

NTN ULTAGE Deep Groove Ball Bearings

Bearing Housings

MachLine High precision

Hydraulic pump kits - 1500 bars

Maintenance tools

BBPS 10-100

NTN Transmissions Europe - ISO 14001

#PerformanceInside

Linear Axis operating manual

KD455.62: Assembly/Disassembly

SNR thermoplastic self-aligning bearing units

Linear Modules

NTN Large size long operating life bearing

NTN-SNR Automotive Aftermarket

PoliPump

KB659.26: Assembly/Disassembly

Constant Velocity Joints (CVJ)

Chain Oil

NTN-SNR ROULEMENTS – ISO 14001

Brake Disc Hub 2010

NTN Kugellagerfabrik Mettmann – ISO 14001

Linear Ball Splines (BSP)

Bearing Units Plastic Housing Series

ISO TS NTN-SNR Meythet

Boosters

Tapered Roller Bearings

NTN Bearing Units

M255.04: Assembly/Disassembly

Paper mill industry

NTN Bearing Units Stainless Series

Suspension failures

ISO TS – NTN Mettmann

ISO 14001 - ICSA Industria Cuscinetti S.p.A.

ISO TS NTN-SNR Cévennes

ULTAGE new identity

KB659.35: Assembly/disassembly

Ready Booster

IRIS NTN-SNR

Damper pulleys: The different types

GA355.16: Assembly/Disassembly

Self-locking precision nuts

Sealed four row tapered roller bearings ULTAGE

Hydraulic push-puller

NTN-SNR - General list - Technical characteristics

Linear Axis range

Auxiliary belts

Air'Pulse

Lubrication

Damper pulleys: Screw

ASB® Bearing

NTN Precision Rolling Bearings

Engine timing kits with water pump brochure

NTN Spherical plain Bearings

Hydraulic nuts: Selection guide

Paper Manufacturing

Hydraulic pump kits - 700 bars

Cylindrical Roller Bearings

SNC : Paliers à semelle

NTN Ball bearings - Shield and Seal types

Analysis & Recommendations - Wheel bearing

CSR report

NTN Triple-Sealed Bearings for Bearing Units

MRO Services

KF155.70U: Assembly/disassembly

Suspension

Fast Therm

ISO 9001 NTN-SNR (Automotive & Industry)

Fast Therm

KD457.48: Assembly/disassembly

Brake disc hubs (KF): Assembly/disassembly

#ReliabilityInside

#SecurityInside

Ultra High Temp

Road safety advertising

CVJ: Constant Velocity Joints

Hydraulic nuts

NTN Cam & Followers

Our range of bearings for your industry

KB659.34: Assembly/disassembly

Analysis & Recommendations - Timing and Accessory

Technical documentation MPS40S

Food Chain Oil

Safe Therm

ULTAGE Spherical Roller Bearings - Large size

Multi'Pulse DC

Road safety advertising

NTN Plummer Blocks

KB950.00: Assembly/Disassembly

Universal

Timing and accessory belt failures

Rolling Bearings Handbook

Sugar refining

GA352.59: Assembly/Disassembly

Greases

Wireless Linear Measuring System

Heavy Duty Truck

ISO TS NTN-SNR Seynod

ISO TS NTN-SNR RULMENTI Sibiu

Electric motors

Damper pulleys: Inspection methods

R140.17: Assembly/Disassembly

Needle roller bearings NTN

Roulements à rotule sur rouleaux étanches

Engine Timing

R190.06/R190.23: Identifying the correct bearing

BPES 10-105

#SecurityInside

SCHP Self-centering hydraulic puller

Lubrification solide : Lubsolid lub

KD469.14: Assembly/Disassembly

EN 9100 NTN-SNR Argonay (Aerospace)

Aerospace: destination precision

NTN Bearings with solid grease

Agriculture

KD459.42: Assembly/Disassembly

Thrust bearings 'A' iso coefficient

Solutions for Machine Tool